
We can provide you with a complete set of outdoor industrial paing system and paga system, and provide system solutions customized according to customer needs. And we can provide you with power amplifier, explosion-proof pa horn, emergency phone and other equipment.
The horn feature
1. Explosion proof Speaker design and certified by TUV ATEX standard.
2. Material/Colour: Anti-static Polyamide/Black
3. Waterproof rating IP66 dust proof IP66.
4. Service temperature range from -40 ?? to +55??.
5. For 360?? lossless broadcast
6. fixed resistance KNLB-EX5 without transformer.
7. For use public address and paging application
8. Application: Products are widely used in petroleum, metallurgy, chemical industry, sea oil, nuclear power, shipbuilding, tunnels and other projects requiring explosion-proof grade Speaker.



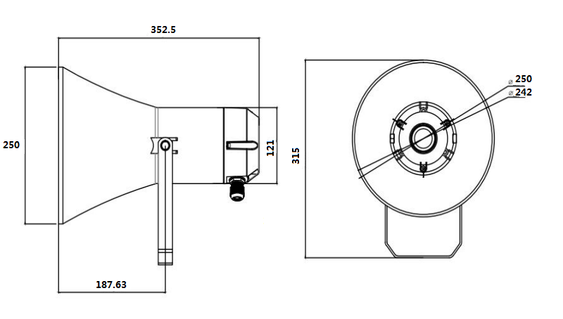
Unit size: 250???)*352(L)mm
Unit G W: 3.7kg
1 pcs in a inside box. Box size: 270x270x390 cm G.W: 3.7KG
2pcs in a CTN box. CTN box size: 570x 290x420 cm G.W:7.8KG
The appearance of the speakers mold is the same, the difference built-in transformer or not.







