زر B3
مميزات
وظيفة تعمل اختبار وظيفة
على سبيل المثال ، زر التنبيه أو زر فتح الباب ، إلخ.
تحديد إصلاح كليب
سمك اللوحة 1.3MM
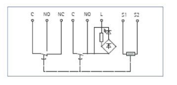
تبديل تبديل تبديل العنصر 1NO الاتصال ، 1 اتصال بالتناوب
تبديل الجهد = 30 VDC
التبديل الحالي = 0.8Aohmic الحمل
التبديل الحالي = 0.5 الحمل الحثي ، (L / R = 3ms)
Sweatching voltage = 50VAC Switching current = 1A
Coil US1 US2 = 24VDC
استهلاك الطاقة
مع تشغيل عن بعد كحد أقصى. <250ma
القفل الوقت ل
تشغيل عن بعد
السكتة الدماغية 0.5-0.8mm
أذكر الضوء

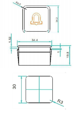
Dimensions

Rear View

Wiring Diagram
